1. Giới thiệu chung
Việc thiết kế và khai thác các tuyến đường, bãi đỗ, kho — nhất là với loại phương tiện lớn như xe đầu kéo + sơ mirơ moóc mang container — đòi hỏi phải tuân thủ quy định về bán kính quay xe để đảm bảo an toàn giao thông và vận hành hiệu quả. Trong đó, việc hiểu rõ “bán kính quay vòng” của xe container và các tiêu chuẩn áp dụng là rất quan trọng.
2. Khái niệm & vai trò của bán kính quay xe container
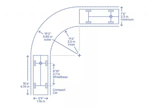
- Bán kính quay vòng là khoảng cách từ tâm đường quay đến điểm cực ngoài (ngoài cùng) đường tròn mà bánh xe ngoài cùng có thể đi khi xe quay đầu hoặc rẽ. Ví dụ: khi một xe container quay hướng hoặc quay đầu tại khu kho hoặc bãi.
- Với loại xe lớn như container, bán kính quay vòng càng lớn vì kích thước xe (chiều dài, sơ mi-rơ moóc, thùng…) lớn hơn nhiều so với ô tô thông thường. Một bài viết cho thấy xe container 40 feet thường có bán kính quay khoảng 14-15 m.
- Vai trò chính:
- Thiết kế đường, lối vào/ra bãi, khu quay đầu phù hợp để xe container lưu thông an toàn.
- Giúp giảm rủi ro va chạm, đụng cột, tường, các phương tiện khác vì quay vòng bị hạn chế.
- Hỗ trợ việc bố trí bãi đỗ, kho hàng, cảng biển, công trình logistics nơi xe container hoạt động nhiều.

3. Các quy định và tiêu chuẩn hiện có
3.1 Tiêu chuẩn theo các văn bản kỹ thuật
- Theo QCVN 07‑11:2025/BXD (quy chuẩn quốc gia về hệ thống công trình hạ tầng kỹ thuật – bãi đỗ xe) có bảng phụ lục A về các loại xe cơ giới: bán kính quay vòng tối thiểu được quy định như: xe cỡ lớn khoảng 9,0 ÷ 10,5 m. (Bộ Xây dựng)
- Đối với bến xe hàng theo QCVN 41:2019/BGTVT cũng có ghi “có bán kính quay xe phù hợp (bán kính tối thiểu không nhỏ hơn 10 m tính theo tim đường)”.
3.2 Thực tế bán kính quay xe container
- Một số bài viết kỹ thuật cho biết đối với xe container 40 feet, bán kính quay khoảng 14-15 m.
- Một bài viết khác ghi: “Chỉ số (R ≥ 12,5 m và Rb < 5,3 m)”.
3.3 Nhận xét
- Dù chưa có một văn bản luật cụ thể công bố duy nhất cho “xe container” với bán kính quay cố định ở mọi trường hợp, nhưng các tiêu chuẩn kỹ thuật như QCVN và các bài phân tích kỹ thuật đều cho thấy mức bán kính quay lớn hơn nhiều so với xe nhỏ.
- Khi thiết kế đường, bãi, khu quay đầu cho xe container thì các đơn vị thiết kế nên áp dụng bán kính quay tối thiểu khoảng từ 12-15 m hoặc lớn hơn tùy loại, diện tích và điều kiện thực tế.

4. Cách xác định & lưu ý khi thiết kế khu vực quay cho xe container
4.1 Cách xác định
- Lấy chiều dài cơ sở, chiều dài xe (đầu kéo + sơ mirơ moóc + thùng) làm tham số cơ bản. Ví dụ bài viết: chiều dài container 40 ft ~ 12 m, sơ mirơ moóc ~ 12,4 m. (rdsic.edu.vn)
- Sử dụng công thức kỹ thuật như:
Rqmin = L ÷ sin q + B ÷ (2 cos q) hoặc Rqmin = L · cot q
Trong đó L = chiều dài cơ sở, q = góc quay bánh trước.
- Chỉnh sửa cho điều kiện thực tế: mặt đường, khoảng trống bên ngoài, chướng ngại vật, khả năng quay đầu…
4.2 Lưu ý quan trọng
- Các khu vực quay đầu, lùi xe container cần diện tích rộng, không chỉ bán kính, mà còn khoảng trống an toàn phía bên ngoài.
- Mặt đường và nền khu vực quay nên đảm bảo tải trọng, độ bền, không bị trượt.
- Cần biển báo, vạch sơn rõ ràng tại các khu vực quay đầu/ra vào để tài xế kiểm soát tốt hơn.
- Khi thiết kế lối ra vào bãi container, cần đảm bảo bán kính phù hợp để đầu kéo và moóc không va chạm với cột, tường hoặc phương tiện khác.
- Khi xe chở hàng nặng hoặc có sơ mirơ moóc dài, bán kính quay thực tế cần lớn hơn tiêu chuẩn lý thuyết.
5. Kết luận & gợi ý áp dụng
Việc tuân thủ quy định và tiêu chuẩn về bán kính quay xe container giúp đảm bảo an toàn, giảm thiểu rủi ro khi vận hành xe lớn và phù hợp với thiết kế hạ tầng. Dưới đây là gợi ý áp dụng:
- Khi thiết kế bãi đỗ, kho hàng, cảng, lối vào/ra — hãy lấy bán kính tối thiểu khoảng 12–15 m làm chuẩn và nếu có điều kiện, nên lớn hơn.
- Kiểm tra thực tế với loại xe sử dụng nhiều nhất (20 ft, 40 ft, đầu kéo + moóc) rồi tính chiều dài, chọn bán kính phù hợp.
- Đánh giá mặt bằng hiện tại: nếu quay đầu khó, có thể cần tăng bán kính, mở rộng nền, bố trí lại lối ra/vào.
- Tài xế và nhà quản lý nên được đào tạo, hướng dẫn về việc quay đầu xe container trong khu vực thiết kế hẹp để tránh va chạm.
???? Nếu bạn muốn, mình có thể tìm và gửi cho bạn văn bản pháp lý gốc (pdf) về tiêu chuẩn kỹ thuật liên quan đến bán kính quay xe và thiết kế hạ tầng giao thông đường bộ tại Việt Nam, để bạn tham khảo chi tiết hơn. Bạn có muốn mình tìm không?

